...

ZBW-12 Pre-installed Compact Substation (American type)

ZBW series preassembled box-type substation (commonly known as American box-type transformer), its structure is “product” font structure, the transformer and high and low voltage equipment are closely connected as one, among which, three sides of the transformer exposed to the air, good heat dissipation conditions, and can be separated from the high and low voltage equipment housing, easy maintenance.

Get A Quote Data Download
Product Overview

Overview

ZBW series preassembled box-type substation (commonly known as American box-type transformer), its structure is “product” font structure, the transformer and high and low voltage equipment are closely connected as one, among which, three sides of the transformer exposed to the air, good heat dissipation conditions, and can be separated from the high and low voltage equipment housing, easy maintenance.

The 813 series oil-immersed transformer with chip type oil tank, no oil cushion, fully enclosed, high and low pressure bushing, tap changer, oil level indicator, pressure release valve, oil release valve, etc. are installed on the end plate of the high-pressure chamber body, the position is reasonable, easy to observe and operate. The high-pressure chamber and low-pressure chamber are separated by steel plates. The high-pressure chamber and low-pressure chamber transformers are relatively independent and maintain a complete box as a whole, with compact structure, small volume and light weight. The power distribution switchgear is installed on the high and low voltage sides.

 

Model Meaning

ZBW /
Pre-installed substation Performance level code High voltage connection scheme Rated capacity of transformer Voltage level

 

Environmental Conditions Of Use

Cooling condition: air self-cooling

 

Use Environment:

The outdoor ambient temperature is not higher than 40℃ , not lower than -45℃ , the altitude is not more than 1000m, the monthly average temperature is not more than 30℃ , the annual average temperature is not more than 20℃ ; At 25℃ , the relative humidity of the air does not exceed 95%, and the monthly average does not exceed 90%;

• Horizontal acceleration is not more than 0.3g, vertical acceleration is not more than 0.15g;

• The installation environment should be free from obvious pollution, no explosive, corrosive gas and dust, and the installation site should be free from violent vibration and impact, requiring the installation on a cement platform or other flat and solid platform.

Note: In case of any other violation of this technical regulation, the user shall negotiate with the Company

 

Product Characteristics

• Small size, compact structure, easy installation:

• Can be used for ring network, can also be used for terminal, reliable protection of personal safety

• Low loss, low noise, superior performance;

• The box adopts anti-theft structure;

• Low temperature rise, strong overload capacity

 

Enforce Standards

This product meets the following standards:

GB/T17467-1998 “High voltage/Low voltage pre-installed substation”

DL/T537-93 “6-35kV box-type substation ordering Technical Conditions”

 

Main Technical Parameters

Serial number Item Units Technical parameter
1 Rated voltage KV 10/0.4(High/low pressure)
2 Maximum operating voltage KV 12(High pressure side)
3 Rated frequency Hz 50
4 Rated capacity KVA 150-1600.
5 1min power frequency withstand voltage KV 35
6 Lightning impulse voltage KV 75
7 Cooling mode Oil immersed in self-cooling
8 High voltage backup fuse breaking current KA 50
9 Breaking current of plug-in fuse KA 2.5
10 Ambient temperature -35~+40
11 Coil allows temperature rise k 65
12 No load voltage regulation ±5%or±2×2.5%
13 Noise level db 50
14 Class of protection KV IP43

 

Transformer

Selected new S9 series transformer body, low loss, good overload capacity, strong short-circuit resistance, all fasteners are protected. The S11 series ring jointless core transformer with better performance can also be selected.

Capacity
KVA
Voltage KV Join group
label
No-load current % No load loss W Impedance
voltage
%
Load loss
High
tension
Low
pressure
S9 S10 S11 S9 S10 S11
160 10±5% or 2×2.5% 0.4 Dyn11 Y.yno 1.4 1.4 0.2 400 320 255 2200
200 1.3 1.3 0.2 480 380 305 2600
250 1.2 1.2 0.2 560 450 360 3050
315 1.1 1.1 0.2 670 530 425 4.0 3650
400 1.0 1.0  0.15 800 650 505 4300
500 1.0 1.0  0.15 960 750 605 5100
630 0.9 0.9  0.15 1200 910 755 6200
800 0.8 0.8  0.15 1400 1080 980 4.5 7500
1000 0.7 0.7 1700 1260 10300
1250 0.6 0.6 1950 12000

 

Fuse

The full range of protection is provided by the backup protection fuse and the plug-in fuse in series on the high voltage side of the American box, the principle is simple, economical and reliable; Backup protection fuse is oil-immersed high voltage current limiting fuse, breaking capacity is large, only in the transformer internal fault action plug-in fuse equipped with double sensitive fuse, can provide current and temperature double protection, after the double sensitive fuse is blown, can be easily replaced in the field.

 

Load Switch

Load switch is oil-immersed, three-phase linkage switch, spring operating mechanism; It can be operated with load, and its closing speed has nothing to do with the operating force. There are two stations, four stations T type, four T position V type, etc., to choose from.

Item Name Units 315A 630A
Rated voltage KV 12 12
Maximum current A 315 630
Rated frequency Hz 50 50
Rated short-circuit closing current kA 31.5 50
Rated short-time withstand current kA 12.5 50
Rated short endurance time S 2 2
Mechanical life frequency 2000 2000
Lightning impulse test Phase to phase KV 75 75
Isolation fracture 85 85
1min power frequency
withstand voltage
Phase to phase KA 42 42
Isolation fracture 48 48
Rated peak withstand current KV 31.5 50

 

Outline Mounting Dimension(mm)

 

Capacity A B C H Weight KG
200kVA and below 1830 1420 820 1850 ≤2800
250-400kVA 1830 1450 850 1980 3000-3300
500-630kVA 1830 1480 880 2070 3600-3950
800kVA 2200 1700 950 2170 4500

Note: The above is the standard size for reference.

 

Capacity A B C H Weight KG
315kVA 2560 1600 600 1000 3050
400kVA 2560 1600 600 1000 3270
500kVA 2560 1600 600 1000 3400
630kVA 2560 1600 600 1000 3900
800kVA 2760 1600 800 1000 4200
1000kVA 2760 1950 800 1000 4800
1250kVA 2910 1950 800 1000 5400
1600kVA 2200 1700 950 2170 4500

Note: The above is the standard size for reference.

 

Mounting Dimension(mm)

 

Technical Requirement

• The surface of the concrete base should be flat, and after the installation of the combined substation, the base should be sealed with cement around;

• The shape of the ground bar and cable fixing bracket can be determined according to the actual situation;

• Cable fixing frame and ground bar should be embedded;

• The position of the inlet and outlet cable holes depends on the specific situation;

• There must be a gap of not less than 1.5m on the front of the switch after installation of the combination transformer to facilitate operation;

• The grounding net can be made of 12-plated round steel or 30×4 galvanized flat steel, and the grounding wire resistance should meet the requirements of the power department.

 

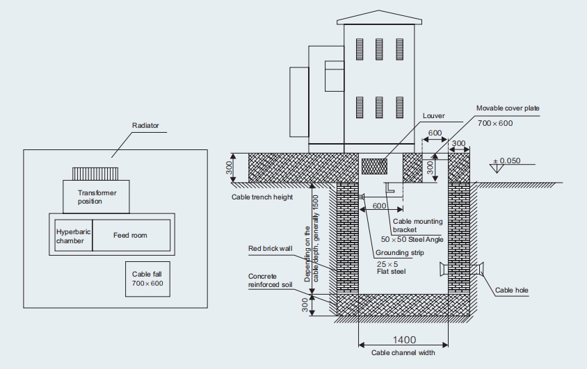
Foundation Drawing

• Standard type, enhanced type, basic construction requirements.

• The basic endurance is more than 100kPa.

• The foundation is located at a higher elevation, drained outwards on all sides, and constructed with red brick cement mortar. The inner and outer walls shall be coated with 1:2 cement mortar 20mm thick and mixed with 3% waterproofing agent.

• The bottom of the cable room should be slightly inclined to the side of the collection pipe to avoid water accumulation.

• 150×300 steel plate mesh (10×20) diamond-shaped eyes are welded on the inside side of the louver window frame, and the welding bar claws are embedded in the wall.

• Foundation construction shall comply with the relevant provisions of JGJ/T16-92 “Code for Electrical Design of Civil Construction”.

• The practice of grounding trunk and grounding pole is still done as usual. After the grounding trunk is drawn from the cable trench, it can be arranged around the ring network cabinet, or the grounding pole can be extended from one side. Grounding resistance ≤ 40Ω.

• The dimensions in the figure are recommended values.

• In order to facilitate the user to enter the line, the cable can be set in three or four directions according to the actual situation on the site.

 

Typical Scheme

High-pressure Typical Scheme

Scheme number H-01 H-02 H-03 H-04 H-05
Single line diagram of main loop 10kV power supply I 10kV power supply I 10kV power supply Il 10kV power supply I 10kV power supply II
Type Terminal type with two-position load switch. The ring network type is changed,and the four-position “V”type load switch is adopted. The ring network type is changed,and the four-position “T”type load is opened close. The terminal type uses a four-position “V” type and a two-station load switch. Terminal type with high voltage metering function.
Switch selection Single power supply,suitable for end users Ring network or dual power supply can be realized,but when the transformer is disconnected,the  high- voltage power supply l and high-voltage power supply II are disconnected at the same time;Applicable ring  network  current 315A,630A. It can realize the ring network or dual power supply,but when the transformer is disconnected,the high-voltage power supply l and high-voltage power supply Il are not connected to each other.Applicable ring network current 315A,630A. The scope of application can realize the ring network or dual power supply, is the most perfect ring network scheme, the selection of ring network current 315A, 630A. Suitable for users requiring high voltage metering

 

Low Pressure Typical Scheme

Scheme number L01 L02 L03 L04 L05 L06
Single line diagram of main loop
Type
Switch selection Main switch, total metering (active and reactive power), two branch active power metering, 63-1250A, optional undervoltage controller, suitable for all capacities. Main switch, total metering (active, reactive power), outlet 63-1250A, optional undervoltage controller, suitable for all capacities. Main switch, total metering (active, reactive power), output line 63-1250A reactive power compensation 30-360kVar, optional undervoltage controller, suitable for all capacities. Main switch, total metering (active, reactive power) line 63-1250A, optional undervoltage controller, switching device use intelligent composite switch and capacitive contactless switch. Applicable to all capacities. Main switch, total measurement (active, reactive power), outlet 63-1250A, optional undervoltage controller, compensation for total complement, sub complement. Applicable to all capacities. Main switch, total measurement (active, reactive power), out of 63-1250A reactive power compensation 30-360kVar, optional undervoltage controller, compensation for compensating. Applicable to all capacities

 

 

WE ARE HERE TO SUPPORT YOU!

Further information or a personal consultation? Our products and know-how are there to provide solutions.

RELATED PRODUCTS
RELATED NEWS
YOU MAY ALSO WANT TO SEE
Get High And Low Voltage Power Transmission And Distribution Solutions Today !
X
icon
icon
icon
en_US